t69红楼梦十二金钗 12-12 妙玉奉茶 全新邮票 原胶全品

高清图片下载 免费 安全无风险
t69红楼梦十二金钗 12-12 妙玉奉茶 全新邮票 原胶全品

t69红楼梦十二金钗 12-12 妙玉奉茶 全新邮票 原胶全品

点击图片查看原图

图片信息

  • 格式: JPG
  • 尺寸: 519x711
  • 大小: 约1.2MB

版权声明

相关标签

自然风光 高清壁纸 4K画质

分享图片

相关推荐

基于当前图片的相似推荐

金陵十二钗妙玉奉茶劝阻版

《金陵十二钗》【妙玉奉茶】尽早版

红楼梦谜一样的妙玉.栊翠庵一顿茶具秀,妙玉惊艳世人心.

江苏南京金陵十二钗妙玉奉茶周版16版一对

南京金陵十二钗妙玉奉茶

妙玉奉茶元春归省惜春作画黛玉埋香探春吟句宝琴踏雪李纨课子晴雯撕扇

《红楼梦》里妙玉敬茶的水,如何得来,又透露出哪些信息

临项维仁老师红楼十二金钗妙玉奉茶

▼ 1981年妙玉奉茶邮票境内邮票

妙玉奉茶(红楼梦人物)图片

随机推荐

发现更多精彩图片

唯美头像图片2021最火爆高清2021年最流行的微信头像图片

七龙珠中那些爆笑动图,第一张我就服了!

这次国庆5周年阅兵,已经看不到战争年代缴获的杂式武器的身影,都换成

粉色少女心梦幻插画手机壁纸

四个女生心愿吉他谱c调吉他弹唱谱

旅游胜地:七仙岭温泉旅游度假区-房产新闻-海南搜狐焦点网

奥园健康携手添宁开展尿失禁健康知识讲座为长辈健康保驾护航

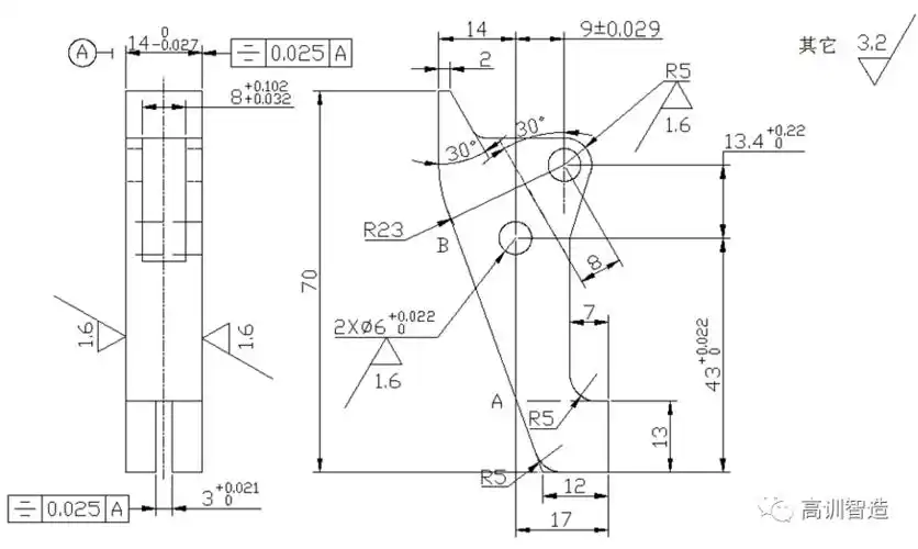
高训智造原创专业课堂第198期大钩子的线切割加工