服装橱窗设计/软装陈设合集

高清图片下载 免费 安全无风险
服装橱窗设计/软装陈设合集

服装橱窗设计/软装陈设合集

点击图片查看原图

图片信息

  • 格式: JPG
  • 尺寸: 2200x1650
  • 大小: 约1.2MB

版权声明

相关标签

自然风光 高清壁纸 4K画质

分享图片

相关推荐

基于当前图片的相似推荐

工业风的软装橱窗,整体搭配统一协调

服装橱窗设计/软装陈设合集

用创意橱窗设计打动消费者软装生活馆橱窗该这样设计

森系风格的花艺橱窗#抖音图文来了 #软装搭配 #店铺橱窗设计 - 抖音

商业软装珠宝橱窗设计

女装店面橱窗设计装修效果图片

最新服装店橱窗装修效果图

橱窗展示柜设计_橱窗效果图设计_橱窗装修设计

欧工国际软装常州共享展厅橱窗效果|五居室以上混搭(空间)装修设计

卓亿软装橱窗设计购物空间300m05设计图片赏析--土巴兔装修效果图

随机推荐

发现更多精彩图片

tyloo天禄somebody集锦唯一孙哥烟中恶鬼精彩集锦名场面

彩铅|蓝色玻璃球,不要玻璃心

高级私人定制真丝香云纱立领长袖新中式工费专拍印花衬衫旗袍

郑爽也是面中微凹,鼻底点sn靠内的微凹脸~~~鞠婧祎就是典型的凹面型

卡通手绘国潮人物旗袍美女原创插画素材国潮人物元素

头像来一波夏目友人帐头像

恐龙动物主题派对装饰生日海报背景墙布置品定节日装扮用品

古诗配画《鹿柴》线稿模板可打印 取图方法:看主页 #诗情画意 - 抖音

【好艺推荐】当代名家—于承佑_版画

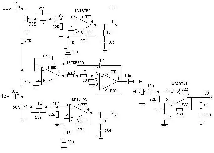
有谁diy过1875 2.1功放,求个电路图,感激不尽

汽车物流运输方式及线路的优化