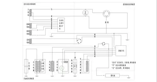
12伏发电机有4根线 3根在调节器上 还有一根在外壳上 那根是正极怎么

高清图片下载 免费 安全无风险
12伏发电机有4根线 3根在调节器上 还有一根在外壳上 那根是正极怎么

12伏发电机有4根线 3根在调节器上 还有一根在外壳上 那根是正极怎么

点击图片查看原图

图片信息

  • 格式: JPG
  • 尺寸: 450x430
  • 大小: 约1.2MB

版权声明

相关标签

自然风光 高清壁纸 4K画质

分享图片

相关推荐

基于当前图片的相似推荐

12v发电机与电瓶接线图(12v发电机线路接法图解)

汽车发电机接线原理图

柴油发电机组外部接线,接地,电瓶接线图解大全

柴油发电机启动电瓶怎么接线?

农用拖拉机改装电启动 发动机是怎么接电的 有知道帮助一下,请赐教

12v发电机接线图如下

农用三轮车小发电机的接线图

小型汽油发电机怎么接线

求15kw三相发电机接线图

12v硅整流发电机.调节器.启动机.蓄电池.开关怎么接?

启动电瓶接线示意图-柴油发电机组.png

画汽车发电机和整流器的电路连接图,简单说明如何将交流电变成直流电?

随机推荐

发现更多精彩图片

周笔畅纯黑酷飒写真照释出 强势耀眼气场全开

迪士尼公主聊天背景图第1弹

组图:女篮亚洲杯官方写真 李月汝秀可爱一面

常州恐龙园游玩攻略探寻远古秘密与现代刺激

时风牌sf4015p1f2型低速货车图片

小猪佩奇 好朋友小狗丹尼很喜欢滑雪 简笔画

朋友,再见_歌谱简谱_哆来咪123曲谱网

独角兽早报 | 抖音电商回应今年目标交易额超3万亿元

原创混血女星卢靖姗写真露出事业线太a了魔鬼身材性感撩人

北京大学历史沿革及历任校长简介

杂粮玉米面饼机小型玉米饼机压面饼成型机

清新唯美的满天星壁纸