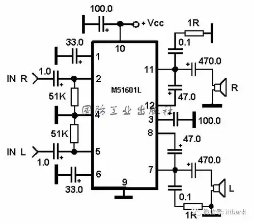
自制迷你小功放 1, 首先了解电路图主要以核心元件集成电路tda2822为

高清图片下载 免费 安全无风险
自制迷你小功放 1, 首先了解电路图主要以核心元件集成电路tda2822为

自制迷你小功放 1, 首先了解电路图主要以核心元件集成电路tda2822为

点击图片查看原图

图片信息

  • 格式: JPG
  • 尺寸: 600x532
  • 大小: 约1.2MB

版权声明

相关标签

自然风光 高清壁纸 4K画质

分享图片

相关推荐

基于当前图片的相似推荐

bp2832a完美升级版方案lnk6932p-电子电路图,电子技术资料网站

简单小电台实验-其他光电实用电路图-电子产品世界

opa828 低失调电压,低漂移,低噪声 45mhz,36v jfet

sdrhf转换器rtl2832u电路原理图

uc3842构成的单端反激式开关电源的实用电路图

手机万能七彩充电器的原理及制作-其他光电实用电路图-电子产品世界

348个实用电路图大全

无忧文档 所有分类 工程科技 电子/电路 茂捷m8832替换bp2832

随机推荐

发现更多精彩图片

《狼殿下》超强售后,李沁王大陆同晒合照,两人动作却很亲密!

(主钻可以单独摘下来把玩,或者当胸针)chanel官方永久珍藏,非卖品

lol英雄联盟剑姬高清桌面壁纸图片

可爱三人闺蜜头像 - 抖音

(2)空气中也没有虫卵附着在树叶上,蚜虫是不会凭空产生的.

手头有点紧没钱表情包动图gif看姐姐们手撕渣男文字橙色简约创意公众

元气美女甜美抖音最火锁屏壁纸图片

男童套装夏王者荣耀短袖t恤短裤儿童三件套小学生衣服至尊宝帽子

动画里的火系美少女,你还喜欢哪一个?-第4张图片-国合建设