动手diy一个非常小巧的5v电源

高清图片下载 免费 安全无风险
动手diy一个非常小巧的5v电源

动手diy一个非常小巧的5v电源

点击图片查看原图

图片信息

  • 格式: JPG
  • 尺寸: 915x476
  • 大小: 约1.2MB

版权声明

相关标签

自然风光 高清壁纸 4K画质

分享图片

相关推荐

基于当前图片的相似推荐

奥扬c106里电热水壶分折与改进 - 精通维修下载

(amobbs 阿莫电子论坛)

桥式起重机电路原理图

南京依维柯轻型汽转向信号危险信号室内灯顶灯电路图

形成编码图像的图像捕获设备方法以及计算机程序产品与流程

zx7200单管igbt的电路原理图免费下载

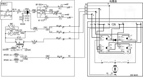
10t交流桥式起重机控制电路原理图

车间10t桥式起重机电路图

hifidiy论坛-雅鱼 m-6010x 全平衡旗舰前级放大器 - powered by

随机推荐

发现更多精彩图片

刘雯寸头#刘雯 堪称女生的日常照完美拍照姿势范本

尺寸测量(中式)_01.jpg

挪威长之道复合肥151515润捷农业

人物绘画,文雅帅气的古风男子插画

扣件式钢管模板支架安全通病防治搭设及拆除应注意

手工/爱好 > 书画/音乐工具/原料 纸 笔 颜料 方法/步骤 end

秋季女生阔腿裤搭配什么上衣更好看?穿衣搭配--秋季女生阔腿裤 - 抖音

长安启源a07其中自主品牌15万级纯电轿车_易车

首页 平面广告 画册/装帧 菜谱设计 >汉堡菜单 千图网提供精美好看的

红星资本局查阅海底捞在成都,北京等地的部分门店菜单,发现仍有半份

考拉海购黑卡会员littledreamgarden半亩花田身体磨砂膏250g4件