低楼层 无大税 价格可议 随时看房,鸿泽园二手房,52万,2室1厅,1卫,88

高清图片下载 免费 安全无风险
低楼层 无大税 价格可议 随时看房,鸿泽园二手房,52万,2室1厅,1卫,88

低楼层 无大税 价格可议 随时看房,鸿泽园二手房,52万,2室1厅,1卫,88

点击图片查看原图

图片信息

  • 格式: JPG
  • 尺寸: 180x135
  • 大小: 约1.2MB

版权声明

相关标签

自然风光 高清壁纸 4K画质

分享图片

相关推荐

基于当前图片的相似推荐

【广州富泽园小区,二手房,租房】- 广州房天下

上庄清泽园小区精装三居室周围设施齐全

6368个!宜昌新增这些停车位

【聚泽园, 聚泽园小区详情,房价走势,房源,业主论坛】- 呼和浩特58

小区,三房两厅两卫,户型方正,采光好,近轻轨,出门,保利观塘泽园-重庆

清泽园小区主卧次卧独卫随时入住永丰

【南京清泽园小区,二手房,租房】- 南京房天下

新城惠泽园二手房 满五年无税 1楼南北 西山 新城惠泽园查看小区详情

【万豪长隆湾(泽园金园), 万豪长隆湾(泽园金园)小区详情,房价走势

【10图】锦绣泽园,93平,电梯毛坯,65万,锦绣泽园-宜昌58同城

随机推荐

发现更多精彩图片

古风唯美情头_情侣头像_我要个性网

闫妮素颜的状态真有亲和力不仅没有贵族感还带着温柔的亲和力

结婚卧室石膏天花板吊顶装修效果图片大全

好感居家配色:善用色彩,塑造更好生活环境

美式别墅600平米68万-万科金御华府别墅装修案例-佛山房天下家居装修

这样的考研上岸壁纸,请给我来一打!

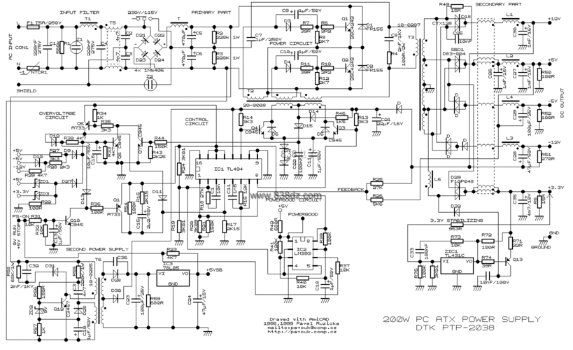
电脑开关电源电路图纸

江西省鹰潭市余江区常住人口11509万人面积35567平方千米然遗产地世界