汽车音响改装选哪家专业?佛山至上音乐斯巴鲁音改美轮美奂

高清图片下载 免费 安全无风险
汽车音响改装选哪家专业?佛山至上音乐斯巴鲁音改美轮美奂

汽车音响改装选哪家专业?佛山至上音乐斯巴鲁音改美轮美奂

点击图片查看原图

图片信息

  • 格式: JPG
  • 尺寸: 640x444
  • 大小: 约1.2MB

版权声明

相关标签

自然风光 高清壁纸 4K画质

分享图片

相关推荐

基于当前图片的相似推荐

南海120-2型汽车音响磁带放音左,右声道扬声器均无声

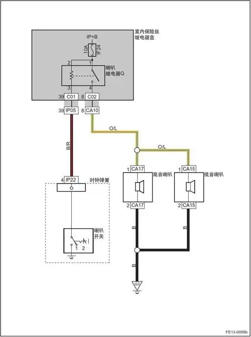
吉利帝豪电路图(喇叭系统)

汽车音响—车机接线图大全(全部上图完毕)

爱华汽车音响电路图纸-n

求哈弗上广电cd音响系统电路图

汽车音响4声道功放tda7381应用电路图

爱华汽车音响电路图纸-l

第10讲检修汽车音响系统的基本方法ppt

随机推荐

发现更多精彩图片

比起怕鬼恐怖片爱好者更怕焦虑

韩剧顶楼申秀莲死了吗周丹泰的罪恶最后被揭发了吗

阳台鱼池这样装就对了这是我见过最详细的最漂亮的鱼池

与此同时,上海地铁版图还在持续外扩中,预计2020年通车总里程将达到

3,热继电器半导体时间继电器的输出形式有两种:有触点式和无触点式

长春君子兰精品小苗 立板插座技师室内盆栽绿植 腊膜油匠圆头麻脸

山东即墨黄酒厂有限公司

有点想不通舌根压喉在生理上是怎么实现的,舌骨舌肌收缩不应该是拉近

老鹰飞翔简笔画图片大全国徽简笔画白头海雕标签动物简笔画小鸟简笔画