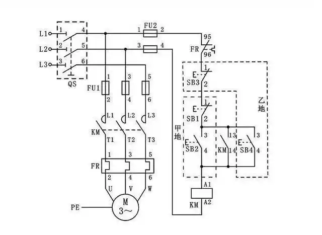
28例电气自动控制电路图,都是干货,快收藏吧!

高清图片下载 免费 安全无风险
28例电气自动控制电路图,都是干货,快收藏吧!

28例电气自动控制电路图,都是干货,快收藏吧!

点击图片查看原图

图片信息

  • 格式: JPG
  • 尺寸: 2480x1779
  • 大小: 约1.2MB

版权声明

相关标签

自然风光 高清壁纸 4K画质

分享图片

相关推荐

基于当前图片的相似推荐

广州三绫电气有限公司_15个常见的电工中级电路图

第一节 电气图的分类 - 电工识图掌中宝 - 知乎书店

建筑设备电气控制电路图的识读方法

28例电气自动控制电路图,都是干货,快收藏吧!

电子元器件图片 维修电工中级实操 数控车床电气原理图 机床电气原理

求次电气控制原理图的工作原理.谢谢!

干货分享20则电气自动控制电路图可收藏哦

免费文档 所有分类 职业教育 中职中专 机床电气控制1-4导学案 3.

电工电气经典20张常用控制电路原理图

中国工控28例电气自动控制电路图都是干货快收藏吧

随机推荐

发现更多精彩图片

电影天堂张嘉佳邀王家卫梁朝伟 为绯闻女友王珞丹护航

抽象3d设计,高清图片,手机壁纸

罩杯abcd怎么分大小一脸懵逼的你看一张图就明了

中国最可怕暗器血滴子只能排第三第1能杀敌还能奏乐

二次元裸足妹纸.等待您的光临)

卡通片《小猪佩奇》角色png高清图片

刘惠经纪人,刘惠肖像代言,刘惠代言费价格咨询

probus aurelianus brm_164873 古罗马硬币