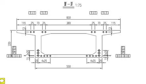
上下行匝道钢箱梁专项施工图208页(2019)

高清图片下载 免费 安全无风险
上下行匝道钢箱梁专项施工图208页(2019)

上下行匝道钢箱梁专项施工图208页(2019)

点击图片查看原图

图片信息

  • 格式: JPG
  • 尺寸: 760x619
  • 大小: 约1.2MB

版权声明

相关标签

自然风光 高清壁纸 4K画质

分享图片

相关推荐

基于当前图片的相似推荐

现浇箱梁支架施工方案(共87页,结构图多附现场照片)

[分享]钢箱梁桥支架资料下载

公路大桥钢箱梁设计ppt(50页)-结构培训讲义-筑龙结构设计论坛

国道高架桥现浇箱梁支架设计计算书

箱梁是什么形状的?请快快给答案

[资料]跨径20m~40m预应力箱 梁桥通用图(28m路基)

现浇箱梁支架施工方案

随机推荐

发现更多精彩图片

迪丽热巴耳环合集,你最喜欢哪一款?__财经头条

天津机场lounge key 贵宾厅在哪

qq女生头像大全 小清新_好看的女生头像_霸气的微信女头像 45

特惠588瑶岗仙紫边阶梯萤石矿标

【经典回顾】2016-2017国家德比梅西绝杀 伯纳乌晾球衣 高空镜头

上海特产礼盒装字号 特色小吃零食食品糕点老城隍庙伴手礼送礼品

58套三层新中式农村自建房别墅图纸,精品设计,特色风格,传承经典_房子