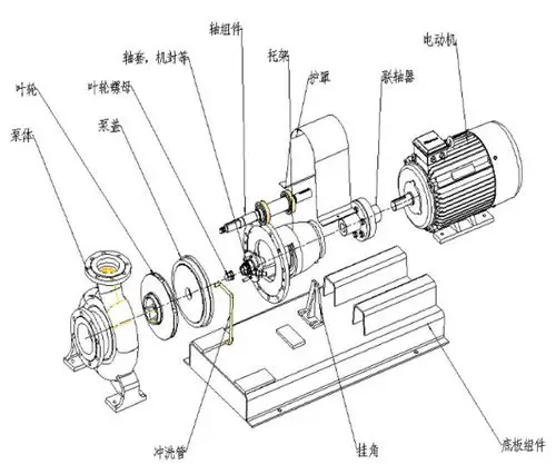
40dl12*7系列立式多级离心泵,直联式高压泵

高清图片下载 免费 安全无风险
40dl12*7系列立式多级离心泵,直联式高压泵

40dl12*7系列立式多级离心泵,直联式高压泵

点击图片查看原图

图片信息

  • 格式: JPG
  • 尺寸: 827x678
  • 大小: 约1.2MB

版权声明

相关标签

自然风光 高清壁纸 4K画质

分享图片

相关推荐

基于当前图片的相似推荐

ihf叶轮用穿轴螺杆型泵结构图

发电行业:清洗泵,燃料泵,锅炉给水泵 造纸行业:高压喷淋

> ir,is卧式单级单吸清水离心泵三,ir,is卧式单级离心泵结构特点 6,为

(二),密封结构说明 该泵的轴封有c1型标准机械密封,c3,c3b,c4型专利

大牌品质 a4fo250/30l-vpb25n00 高压定量柱塞泵 斜盘式液压泵

4种博世油泵结构,原理及失效分析

立式高速泵运行故障分析及改造_彭亚博

dg型次高压锅炉给水泵结构图

三,jgyj型 液压隔膜式高压计量泵结构图

一种自吸式离心泵的制作方法

随机推荐

发现更多精彩图片

蔡小葵 - 堆糖,美图壁纸兴趣社区

辣条顺天天缘花椒麻辣零食办公室校园宿舍大礼包面筋制品

简单耐看微信头像,头像男动漫 成熟稳重

438_378gif 动态图 动图

各种焊条型号对照表2

中老年男士休闲裤春秋中年高腰长裤爸爸纯棉男长裤加绒45

jcb js370lc挖掘机操作展示

法国梧桐的花语:天才.

加压增压泵不锈钢全自动自来水管道加压泵热水器阿斯卡利家用100w自动

袁检文当选企石镇人民政府镇长赖松波当选副镇长