基于labview的远程无线监控系统

高清图片下载 免费 安全无风险
基于labview的远程无线监控系统

基于labview的远程无线监控系统

点击图片查看原图

图片信息

  • 格式: JPG
  • 尺寸: 589x537
  • 大小: 约1.2MB

版权声明

相关标签

自然风光 高清壁纸 4K画质

分享图片

相关推荐

基于当前图片的相似推荐

labview笔记三:基于labview的三种方法实现掷骰子游戏

labview贪吃蛇程序设计

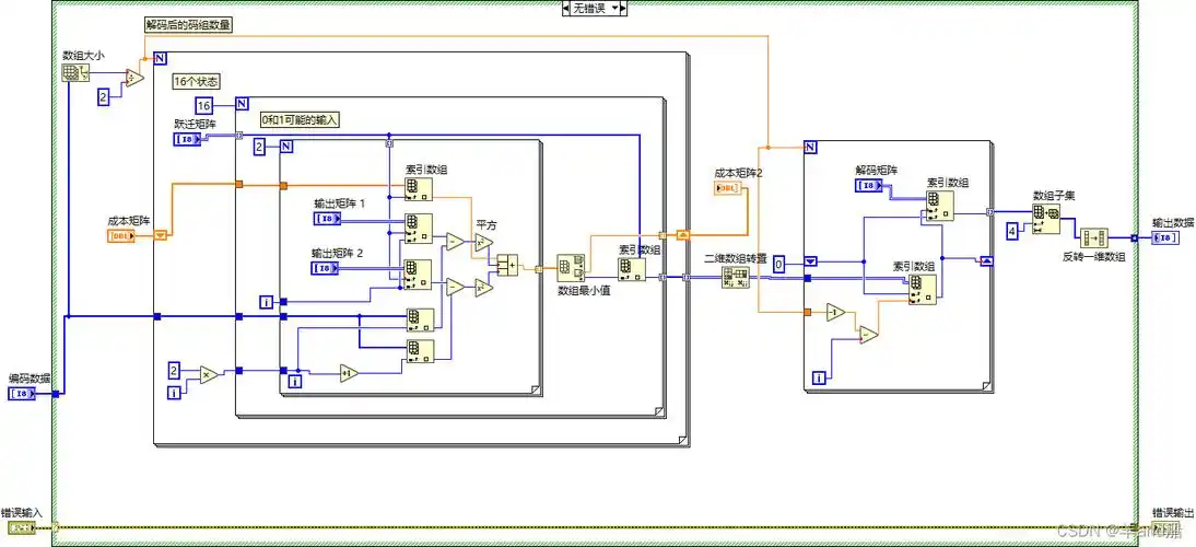
哪位大神能给我讲解下这个labview程序框图,谢谢!

基于labview的usb实时数据采集处理系统的实现

基于labview的虚拟电子琴设计

基于labview的温度数据采集系统的软件设计

labview电子时钟设计课程设计报告

labview多通道数据传感信号采集系统 答辩讲稿ppt

基于labview的跑马灯流水灯设计参考模板

随机推荐

发现更多精彩图片

生日快乐派对趴体装饰气球女孩男朋友浪漫惊喜创意场景布置背景墙

空白头像图片空白色头像图片大全

王者荣耀上官婉儿壁纸

别墅区里的:现代简欧三层小洋楼设计

简约欧式风格卧室双层床装修效果图

松柏类图例落叶灌木图例平面图树木图块是cad操作中比较核心的工作

豪爵摩托转让.14年上户的豪爵摩托转让,车况不用考虑巴适得很 - 抖音

超美的剪影水彩风景画手绘素材星空书签水彩唯美有意境2

原神迪卢克属性天赋突破材料立绘武器圣遗物命之座介绍