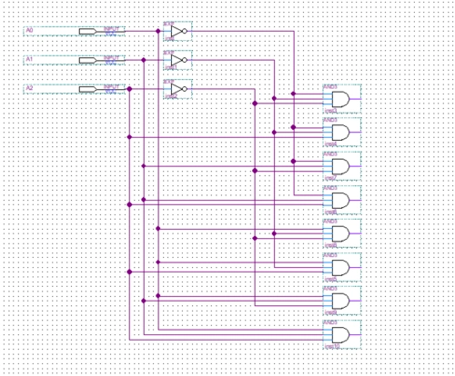
74hc138三八译码器工作原理和三极管的开关控制

高清图片下载 免费 安全无风险
74hc138三八译码器工作原理和三极管的开关控制

74hc138三八译码器工作原理和三极管的开关控制

点击图片查看原图

图片信息

  • 格式: JPG
  • 尺寸: 905x640
  • 大小: 约1.2MB

版权声明

相关标签

自然风光 高清壁纸 4K画质

分享图片

相关推荐

基于当前图片的相似推荐

文档下载 所有分类 工程科技 电子/电路 > 38译码器图1 图1为3-8译码

译码器(decoder)从外部引脚来看是一种多输入端,多输出端电路,且输入

电路原理图如下:设计思路用74x139和74x138构成5线-32线译码器仿真

编码器解码器电路设计及multisim软件仿真

三八译码器问题74ls138

无忧文档 所有分类 工程科技 电子/电路 实验一3-8译码器 图1 实验

随机推荐

发现更多精彩图片

蔡徐坤屈臣氏品牌代言人的海报_蔡徐坤_海报_屈臣氏怎么样_娱乐_明星

武松卫视热播孙耀琦引发金莲热

06年6月的环球拳王争霸赛上,日本相扑最高级别第64代横

基于现实社会状况,浅析《熊出没》光头强能否娶到老婆?

都暻秀超话231120 companysoosoo_更新 暻秀 图片4p【公开暻秀的新

10种夫妻常见的睡觉姿势,第8种夫妻感情最好!

我是汗脚,鞋子穿不了多久鞋里就会有很多汗渍~有什么办法可以去掉吗

爸爸妈妈去上班我上幼儿园简谱

高达素描头像和全身线稿

配件适配三缸缸体汽缸缸盖气缸发动机长安铃木汽车其他

女生胳膊有肌肉是种怎样的体验