念青唐古拉山

高清图片下载 免费 安全无风险
念青唐古拉山

念青唐古拉山

点击图片查看原图

图片信息

  • 格式: JPG
  • 尺寸: 1080x1045
  • 大小: 约1.2MB

版权声明

相关标签

自然风光 高清壁纸 4K画质

分享图片

相关推荐

基于当前图片的相似推荐

青海唐古拉山山口(5231米.拍于2010.8和2014.8 - 抖音

每天一座山|念青唐古拉山 -7215 海拔:5000~6000米,主峰为7111米

唐古拉山的风景如何?你知道唐古拉山的故事吗?

纳木措―念青唐古拉山风景区

每天一座山——唐古拉山

唐古拉山旅游攻略 唐古拉山是位于中国西藏自治区的一座高山,海拔超过

唐古拉山旅游攻略 唐古拉山位于中国青藏高原中部,是长江和怒江的分水

唐古拉山旅游攻略 唐古拉山是位于中国西藏自治区的一座高山,海拔超过

唐古拉山,终年白雪皑皑,目之所及皆美景.这么近距离拍摄真的很 - 抖音

随机推荐

发现更多精彩图片

可以无限翻转的爱心折纸,简单几步就做好,手工diy折纸图解教程

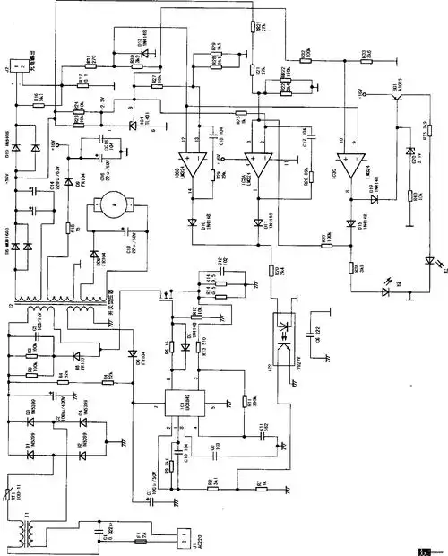
电动车充电器电路原理图

优选男童发型合集(第三弹)欢迎美妈挑选.#热门 #小男孩发型 - 抖音

马克笔画眼睛,注意颜色的深浅变化漫画人物的眼睛,用针管笔就可以画

已知三棱锥p-abc(如图1)的展开图如图2,其中四边形abcd为边长等于 的

办公室加班加点在省纪委工作组西安驻地复印借阅档案资料

光遇平菇画法 光遇平菇画法

北京时间2月21日,库里现场观看了ncaa斯坦福大学71比66击败ucla的比赛

pet/mr实验室参观走廊全景

交谊舞北京平四表演

能吃的野菜图片和名字 农村能吃的野菜100种-诚智百科网