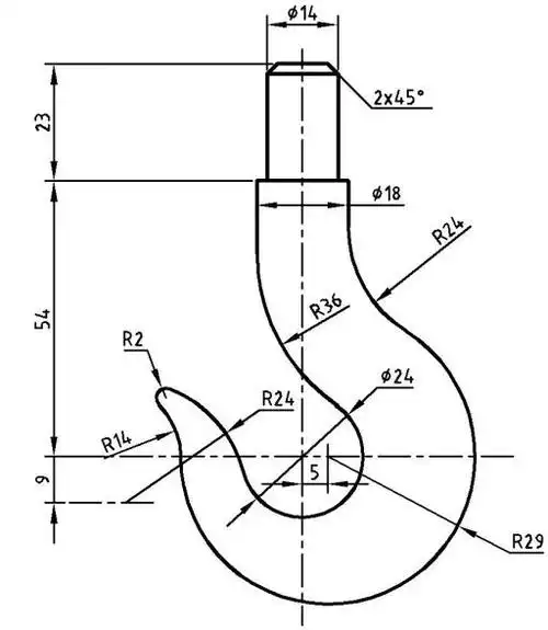
起重钩图纸rar

高清图片下载 免费 安全无风险
起重钩图纸rar

起重钩图纸rar

点击图片查看原图

图片信息

  • 格式: JPG
  • 尺寸: 2338x1653
  • 大小: 约1.2MB

版权声明

相关标签

自然风光 高清壁纸 4K画质

分享图片

相关推荐

基于当前图片的相似推荐

autocad 基础教程:绘制吊钩

70吨吊钩cad电子档图纸

一种带倒挂的吊钩cad图纸

机械制图习题集,吊钩画法.

吊钩的画法仅限借鉴

一种吊钩cad图纸接头直径23

机械制图习题集,吊钩画法.

机械制图 #工图 #工程制图 今天画了一个钩子

autocad 基础教程:绘制吊钩

文档下载 所有分类 工程科技 冶金/矿山/地质 > cad吊钩讲课教案第1页

随机推荐

发现更多精彩图片

星光大道刘大成出演电视剧美丽乡村担主角

卡通可爱过年原创敲大鼓的小牛

蟹柳天妇罗蟹柳巨无霸巨型特长寿司手撕1kg13条蟹棒

康玛士kindmax肌肉贴专业肌贴运动肌内效贴布肌肉拉伤贴弹性绷带运动

小伙花23万在河北老家打造240平一层农家小院宽敞大气羡煞旁人

乐华年会大合影王一博似不愿露面躲最后面孟美岐吴宣仪程潇紧挨杜华

民族元素 壮族剪影来啦 记得查收哦,临摹转载请注明出处

傣族婚纱照的背景常常是傣族 - 抖音

dr钻戒1399元是哪一款

男子放风筝手掌被割断一根细线怎么成了无影刀