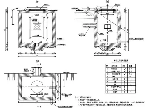
小型直通型人孔平面图

高清图片下载 免费 安全无风险
小型直通型人孔平面图

小型直通型人孔平面图

点击图片查看原图

图片信息

  • 格式: JPG
  • 尺寸: 754x542
  • 大小: 约1.2MB

版权声明

相关标签

自然风光 高清壁纸 4K画质

分享图片

相关推荐

基于当前图片的相似推荐

文档下载 所有分类 工程科技 信息与通信 > 小号直通型人井(2009版)

通信小号直通型人孔井

电信小号直通型人孔井设计图

根据 《通信管道工程施工及验收标准》 gb/t50374

通信管道工程施工与监理培训讲义(173页)

电信小号直通型人孔井设计图

通信管道工程施工与监理培训讲义(173页)

[四川]3km高速公路工程交通工程及沿线设施设计图纸832页(监控通信

07sd101-8:电力电缆井设计与安装-中国建筑标准设计网

随机推荐

发现更多精彩图片

奢侈品品牌logo合集「无用的知识又增加了」 今天带大家了解下比较

期末考试提醒自己不要玩手机的壁纸

能不能把下辈子的假期调到这辈子休 我下辈子再补回来 #表情包

蓝色六角星素材免费下载_觅元素

screecher太阳能四轮电动脚踏车新款推出

市长被查当天,市委书记主持召开会议,点名"老虎"|贵阳市|市委书记

p>李白,手游《 a target="_blank" href="/item/王者荣耀/18752941"

如果没有剪纸刻纸基础时,开始剪纸刻纸是会碰到许多困难的,这些困难也

画导游图优秀课堂作业

微笑亚洲女人竖起大拇指

纯欲辣妹风 镂空无袖针织背心太辣啦!姐妹们!这款设计感镂空针 - 抖音