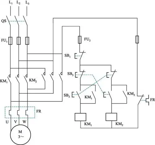
这个电气原理图的名称为电动机正反转控制电路如下图所示

高清图片下载 免费 安全无风险
这个电气原理图的名称为电动机正反转控制电路如下图所示

这个电气原理图的名称为电动机正反转控制电路如下图所示

点击图片查看原图

图片信息

  • 格式: JPG
  • 尺寸: 562x353
  • 大小: 约1.2MB

版权声明

相关标签

自然风光 高清壁纸 4K画质

分享图片

相关推荐

基于当前图片的相似推荐

电动机正反转控制原理

三相电动机按钮,接触器双重互锁的正反转控制线路 如下右图所示为

电工实训项目教程09-2三相异步电动机的正反转控制线路

三相异步电动机正反转图解 控制线路原理如下95 97合上qs,按下正

电动机正,反转控制线路如图6.16所示.

单相电动机顺正反转控制电路图

二相电机正反转接线图

三相异步电动机正反转控制电路(修改)ppt

图8-11 电动机正反转控制电路

电动机正反转控制电路原理

三相异步电动机正反转控制线路课件

电动机正反转原理图

随机推荐

发现更多精彩图片

过年最强年货口罩大军来袭你买的口罩真的有用吗

幼儿园小班动物涂色简笔画 动物简笔画

97元气满满的桌面壁纸,简约可爱卡通工作分区桌面电脑壁纸

新信息安阳林州市林州碧桂园林语印象楼盘位置在哪什么

警方查获的部分铅弹及仿真枪关键部位零件.(重庆沙区警方供图)

蚂蚁简笔画图片彩色蚂蚁怎么会可爱

神经性皮炎,治皮肤的同时还需要"治心"

花子君.#地缚少年花子君 新的115话花子君长大真的好好看 - 抖音