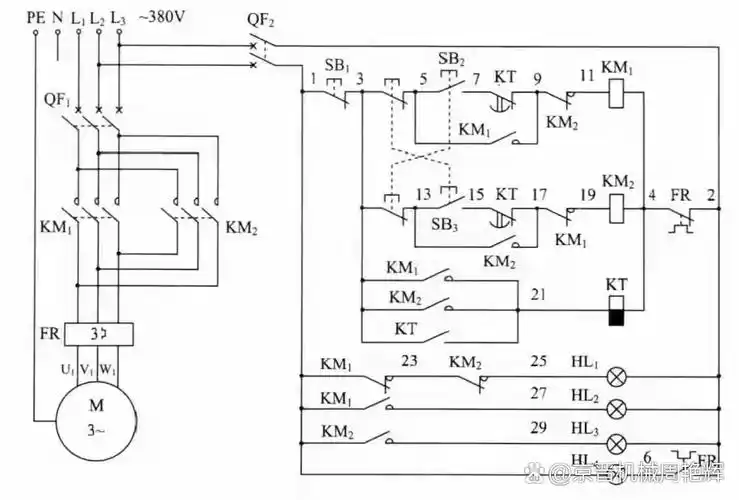
正反转电路(旋钮开关)

高清图片下载 免费 安全无风险
正反转电路(旋钮开关)

正反转电路(旋钮开关)

点击图片查看原图

图片信息

  • 格式: JPG
  • 尺寸: 2000x1504
  • 大小: 约1.2MB

版权声明

相关标签

自然风光 高清壁纸 4K画质

分享图片

相关推荐

基于当前图片的相似推荐

延时开启——正转——停止——延时自动开启反转——停止.

求助时间继电器延时正反转问题 - 工控人家园

一个时间继电器,一个中间继电器,一个接触器,一个电机,求正反转控制

接触器负责转换电机正反转就行了,切换时间就是时间继电器的延时时间

时间继电器控制电路正反转防止短路

电机正反转控制电路的工作原理

三相异步电动机的正反转电和及工作原理 电动机正反转电路,是一种很

25,零基础学电工-按下停止按钮电动机延时停止电路(仿真图)

三相异步电动机正反转控制电路#电工知识

时间继电器控制电动机定时正反转电路之二

这么简单的一个正反转电路都不会接,还好意思说以前在学校当物理老师

1,带指示灯的电动机正反转电路,用绘图软件进行模拟仿真.

随机推荐

发现更多精彩图片

有没有小李子颜值巅峰的照片可以做壁纸

【陶大宇 陈年梗】陶大宇郭可盈郭藹明世紀重遇

一方水土养一方人#少数民族 #侗族 #民族服饰 #写真 - 抖音

幼儿园幼儿返园14天体温每日监测表

为什么竞走的姿势这么怪粗谈竞走和跑步的区别

鹿 be free钢琴简谱-数字双手-尚雯婕3

望月摘星jk衬衣dk精致刺绣可爱鲸鱼短长衬衫

原创lisa白色连衣裙太仙了长腿蛮腰遮不住难怪坤坤都挪不开眼睛

张家口小型玉米青储收割机价格

童装童鞋>儿童配饰>帽子>花漾兔(huayangtu)>花漾兔(huayangtu)帽子>

打麻将十打九胜的秘诀掌握这些小技巧赢牌简直是易如反掌

使一个密闭的空间实现科学的空气对流,也等于给你的房间增加