一只公鸭的特写,野鸭,站在长满草的山丘上

高清图片下载 免费 安全无风险
一只公鸭的特写,野鸭,站在长满草的山丘上

一只公鸭的特写,野鸭,站在长满草的山丘上

点击图片查看原图

图片信息

  • 格式: JPG
  • 尺寸: 1200x800
  • 大小: 约1.2MB

版权声明

相关标签

自然风光 高清壁纸 4K画质

分享图片

相关推荐

基于当前图片的相似推荐

鸭子的尾巴像什么,鸭子摇尾巴是什么意思? - 讯客网

养鸭子20多年的专业人士告诉你,什么样子的鸭更贵更好吃?

谁的尾巴扁? 谁的尾巴弯? 谁的

有趣的鸭子尾巴壁纸高清原图查看

钻水鸭,亦称塘鸭,河鸭或淡水鸭,这种鸭的喙扁而宽,后趾无蹼,喜欢在

随机推荐

发现更多精彩图片

袁姗姗完美亮相皮帽搭配大西装网友偷了爸爸的衣服

隐适美牙套第17幅 - 知乎

五菱宏光mini ev参数配置 空间小巧实用/动力续航一般(功能配置简单)

2尺5的腰围是32还是33

cell metab:西京医院王琳教授团队报道非酒精性脂肪肝炎新靶点_通路

娄艺潇疯狂的麦咭优雅剧照图片17

泉城欧乐堡乐园地图绘制

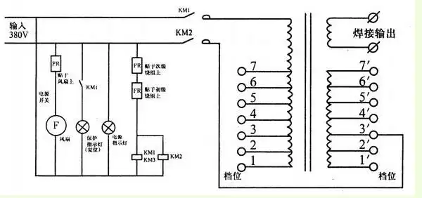
电焊机手动开关接线图