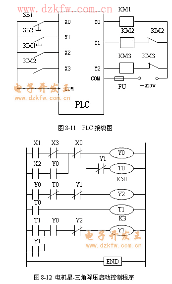
电机星三角启动的plc控制梯形图 ,不知道哪里错了,总是跳不到三角运行

高清图片下载 免费 安全无风险
电机星三角启动的plc控制梯形图 ,不知道哪里错了,总是跳不到三角运行

电机星三角启动的plc控制梯形图 ,不知道哪里错了,总是跳不到三角运行

点击图片查看原图

图片信息

  • 格式: JPG
  • 尺寸: 304x458
  • 大小: 约1.2MB

版权声明

相关标签

自然风光 高清壁纸 4K画质

分享图片

相关推荐

基于当前图片的相似推荐

电机星三角正反循环梯形图

星三角启动s7-200梯形图

【话题】星三角用plc编程

plc电动机 星三角转换梯形图

用定时器控制灯的闪烁梯形图plc编程实例星三角形控制与交通灯控制

四,定时器编程举例:星三角降压启动

求一个三菱plc fx系列的星三角启动的梯形图,主要指令都有注释

三菱plc 实验二 三相异步电动机的星/三角换接启动控制 一,实验梯形图

用plc编写星三角降压启动的梯形图和指令

三菱星三角降压启动梯形图plc梯形图

梯形图程序i/o分配表流程框架图如下星三角降压启动的电路图与控制图

plc控制电机星三角启动梯形图实例

随机推荐

发现更多精彩图片

张嘉译娶24亿富豪王海燕,前妻曝"软饭男"真相,惊人内幕!

古力娜扎,是你认为最美的女星吗?

军人的信仰82 徽章加枪设计,_纹身吧社区 - 纹身大咖

虎牙主播排名(抖音最火女主播排名) - 汽车时代网

精选二次元动漫美女高清桌面壁纸

小腰金 9999黄金手镯2021新款足金镯子女妈妈款宽版拉丝面cnc足金50克

童模宋小睿穿短裙表演海草舞,眼前这一幕,彻底对她刮目相看了

"fantaisie aux divins mensonges" lyrics and translation

巫婆:纯色头像/悲喜都要过何必不快乐

莉雅丝·吉蒙里作为恶魔高校的第一女主,容貌就不多就说,身材可是一等

奥特曼系列破解版,奥特曼系列ol免费内购破解版(超激斗梦境刚公测就和

惠峰立早受控文件可调日期章 作废日期印章pass qcqa合格日期印章工厂