74hc04中文资料详细介绍引脚功能内部结构逻辑图参数及应用电路全文

高清图片下载 免费 安全无风险
74hc04中文资料详细介绍引脚功能内部结构逻辑图参数及应用电路全文

74hc04中文资料详细介绍引脚功能内部结构逻辑图参数及应用电路全文

点击图片查看原图

图片信息

  • 格式: JPG
  • 尺寸: 352x201
  • 大小: 约1.2MB

版权声明

相关标签

自然风光 高清壁纸 4K画质

分享图片

相关推荐

基于当前图片的相似推荐

具体电路如图. 反相器是如何起到放大作用呢? 具体电路如图

双色f375led点阵屏中保护电路74hc04的作用

另外,我想自己焊接红外循迹模块,怎么用这个元器件?

超声波发射电路中74hc04 的作用,p10处是什么信号

首页 pdf资料 pdf资料第360页 m74hc04 pdf下载及

74hc0474hc138数字电路问题

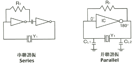
用非门74hc04与无源晶振产生时钟信号的两种电路

74hc04中文资料详细介绍引脚功能内部结构逻辑图参数及应用电路全文

注意我给你的图上注明是74hc04,你的这个图是ttl芯片内部电路.

基于凌阳单片机的可控信号源的设计

随机推荐

发现更多精彩图片

交友不慎!baby杨颖素颜抽烟画面被放上网,吞云吐雾似老烟枪

儿童奥特曼刻痕效果图.#创作灵感 #儿童奥特曼发型效果图 # - 抖音

有25圆圈一个是实心的不能连用一笔连成

突发常州最新地铁规划流出站点走向全曝光

虾|插画|插画习作|有条巷 - 原创作品 - 站酷 (zcool)

卡通q版可爱女生头像/中秋古风,嫦娥玉兔 兔兔画上了,图二没有兔兔,图

christian dior lady dior 大号手提包(典藏款) 图 1

下面就预制外墙,预制楼板,预制楼梯等节点做一个介绍:2,技术节

1女款情侣防摔redmi 5保护套红米五全包边潮男mdt1挂绳支架个性潮牌