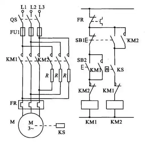
中级电工实训课题

高清图片下载 免费 安全无风险
中级电工实训课题

中级电工实训课题

点击图片查看原图

图片信息

  • 格式: JPG
  • 尺寸: 1168x587
  • 大小: 约1.2MB

版权声明

相关标签

自然风光 高清壁纸 4K画质

分享图片

相关推荐

基于当前图片的相似推荐

互锁电路原理图,电路基础知识,电工必备基础电路

3,零基础学电工-点动与连续运转控制电路(一)(电路与仿真图)

熟练的掌握电路图的基本原理是排查故障的第一步,电路原理图是电工

48张常用电动机控制电路图,由易到难,电工接线不求人!

45张电工常用电动机控制电路图

电工实操考核中,最重要的7张电路图(行家收藏)

电工必备:22个经典电路图,不会看电路图的电工不算合格电工

电工必备电路原理图汇总,个个顶用!

星三角降压启动电路图原理详解,3张图简单易懂! - 电工基础学习网

8个经典电工电路原理图

45张电工常用电动机控制电路,大多数电工都收藏了!

随机推荐

发现更多精彩图片

一败涂地离婚被套走25亿的黄晓明遮羞布让杨颖彻底揭开

时代少年团集体照-tnt照片墙-话本小说网

熊猫 伤心 国宝 我也很绝望啊

一身傲骨,浑身是胆,这才是真正的年轻有为#朱亚文 #于和伟 #建军大业

帮中国小伙伴在英国抢购额温枪,消毒用品,保健品,英国超市精品!

在家自制雪白松软的白菜粉条肉包子

关键对话读书思维导图

男装尺寸 团购毛衣 毛衣批发商 专营冷衫公司