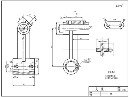
机械制造技术基础课程设计之转速器盘二维零件图

高清图片下载 免费 安全无风险
机械制造技术基础课程设计之转速器盘二维零件图

机械制造技术基础课程设计之转速器盘二维零件图

点击图片查看原图

图片信息

  • 格式: JPG
  • 尺寸: 788x1113
  • 大小: 约1.2MB

版权声明

相关标签

自然风光 高清壁纸 4K画质

分享图片

相关推荐

基于当前图片的相似推荐

西工大机械制图附图3,问其拆画零件图答案

机械制图之零件图表达

(共17页,当前第5页) 你可能喜欢 旋转练习题 机械零件图 ug练习图纸

拨叉零件机械加工工艺分析与夹具设计.

机械制图-零件图习题

61 kb,dwg格式) 机械cad图纸

请机械制图高手帮忙根据这个装配图画出零件图.

机械制图零件图和装配图机械制图零件图和装配图的基本画法2022已更新

"ca6140车床"拨叉零件的机械加工工艺规程及工艺装备(有cad源图)

机械零件图纸基础知识图解,机械零件图纸标注符号的含义_b2b吧

随机推荐

发现更多精彩图片

中国最帅的男明星前十名吴彦祖的颜值居然排第一

宋威龙劲酷帅气活动照图片49

张钧甯被紧紧抱住,脸都红了,网友:张翰你还不放手,想干什么?

你只会画一两种手账花边吗?这里有一堆花边线稿,清新简洁易上手

国画兰花|(上)图文教程.详细视频教程请看下一篇笔记国画工 - 抖音

家庭夜宵版辣炒蚬子超简单

选购的窗户窗框,窗扇,密封条等的质量要过关,同时采用的防水密封材料

甘肃戈壁滩上的汉武大帝雕像为何建在这地方你知道有何意义吗

海南航空致敬建党100周年宣传海报

贴片ao3400场效应管sot23丝印a09tn沟道mos管全新原装