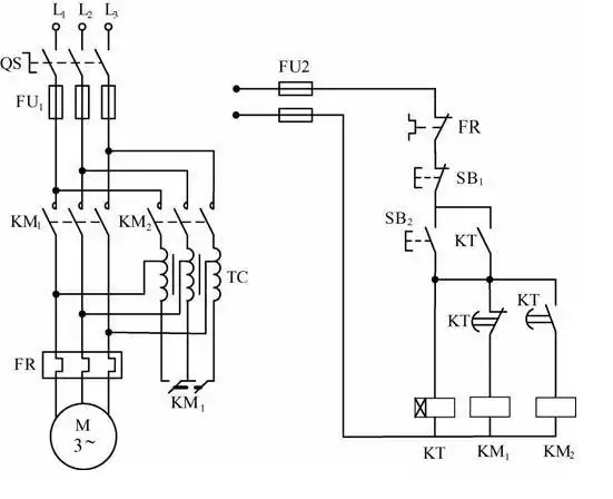
详解二次回路的基本控制原理

高清图片下载 免费 安全无风险
详解二次回路的基本控制原理

详解二次回路的基本控制原理

点击图片查看原图

图片信息

  • 格式: JPG
  • 尺寸: 640x421
  • 大小: 约1.2MB

版权声明

相关标签

自然风光 高清壁纸 4K画质

分享图片

相关推荐

基于当前图片的相似推荐

电工接线不求人,3分钟搞懂电气二次回路图

电工接线不求人,3分钟搞懂电气二次回路图

高压线路二次回路接线图

典型二次回路图增压水泵原理图

xj01-115自藕减压启动箱二次回路接线图?

变电所的二次回路与自动装置培训课件ppt

高压线路二次回路的展开式原理电路图

电工接线不求人,3分钟搞懂电气二次回路图

值班的二次回路改造_接线图分享

用软起动器的电动机二次接线图

隔离开关及接地刀闸二次原理图

随机推荐

发现更多精彩图片

月亮湖位于明月山山顶,海拔1700余米,常年云雾缭绕,气温微寒.

假发女长发自然全头套式大波浪长卷发中长发仿真发时尚新款假发套

简单冷暖色调水粉画冷色调和暖色调的水粉画

朋友圈封面背景希望这个夏天

宋丹丹儿媳妇王博谷:嫁给小7岁巴图,被丈夫和婆婆当成宝_父母_海清

四张绿色多边形卡通ppt背景图片免费下载-ppt模板-办图网

奖金五十万《荒野独居》,狠人用一根线钓螃蟹,手工造船下水_网易跟贴

关于环保的儿童科幻画《全自动花式雾霾清理器》(1)

《天天有喜2》首播告捷 穆婷婷表演走心获好评

猪猪侠之深海小英雄第三季 第7集-动漫-高清视频在线观看-芒果tv

容嬷嬷打金锁虐香妃扎紫薇,适合心情不好时看!

万国觉醒城市布局推荐