欣灵xlp5000接线图

高清图片下载 免费 安全无风险
欣灵xlp5000接线图

欣灵xlp5000接线图

点击图片查看原图

图片信息

  • 格式: JPG
  • 尺寸: 1654x1102
  • 大小: 约1.2MB

版权声明

相关标签

自然风光 高清壁纸 4K画质

分享图片

相关推荐

基于当前图片的相似推荐

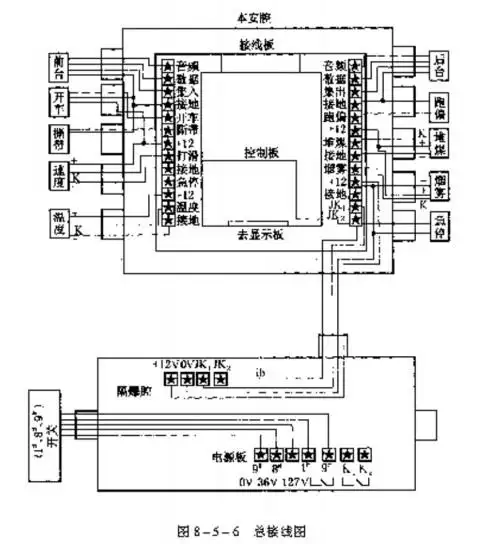
皮带输送机保护装置的安装接线及使用说明

khp-1矿用带式输送机保护装置|皮带机保护及控制系列|淮南市三杰矿用

皮带沿线通讯及保护

天津华宁皮带综保ktc101接线图

两条皮带运输机控制电路

皮带机换带装置电气原理图电控图

艾默生工控产品在皮带机启动控制中的应用

电动机保护器接线方法

电动机综合保护器接线图?

tm102电动机保护器接线图

ard2智能型电动机保护器星-三角起动模式接线

电动机综合保护器接线

随机推荐

发现更多精彩图片

刘涛港风复古大片写真图片

沙雕口红小人尬舞跳舞 gif 动图

儿童剧迷你特工队超级特工雷长沙站

【新到车型】:豪爵铃木 gsx250r 【新车落地】:23850元

相对柔和,尤其是雨果天晴的时候,空气通透,更有利于表现出白色玉兰花

官方我的世界周边模型发光声可变色钻石剑光剑带动物声效玩具武器

2015新款细高跟夜店舞台婚鞋防水台浅口时装女鞋代理加盟dx1739