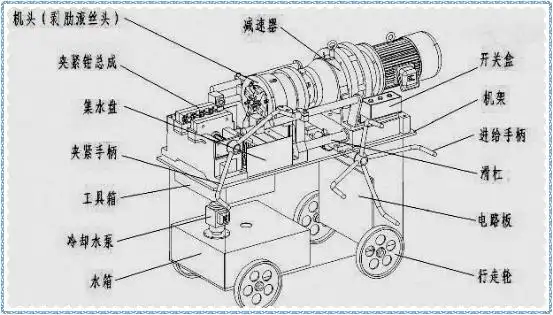
包括:承载部,校直结构和送丝结构,所述校直结构和送丝结构设置于承载

高清图片下载 免费 安全无风险
包括:承载部,校直结构和送丝结构,所述校直结构和送丝结构设置于承载

包括:承载部,校直结构和送丝结构,所述校直结构和送丝结构设置于承载

点击图片查看原图

图片信息

  • 格式: JPG
  • 尺寸: 1000x780
  • 大小: 约1.2MB

版权声明

相关标签

自然风光 高清壁纸 4K画质

分享图片

相关推荐

基于当前图片的相似推荐

机器人送丝机构fwt740

工作原理是:(1)钢筋夹紧结构钢筋夹紧是利用正反螺纹丝杠旋转带动夹紧

机器人送丝机构fgf-340-a1

机器人送丝机构fwf-340-a1

cn209718621u_一种用于3d打印供料系统的送丝机构有效

埋弧焊专用送丝机构

焊接机器人铭赛送丝机

松下焊接机器人送丝机

结构简单,和现有送丝机在总体结构上相近,便于设计和安装;2.

随机推荐

发现更多精彩图片

运动员拳泰国拳击手战斗黑色背景与烟雾

爆改鬼火99成新3850转让

印度正品代购微信:relxxoo印度"神药"双效片,艾力达和万艾可什么区别?

智斗 京剧 沙家浜 选段 京剧谱 简谱

关于红灯记的资料「红灯记简要叙述故事内容」 - 富威教育知识

400_300gif 动态图 动图

逛什么淮海路我们去滨江这家新mall穿越时光