赶紧关注点赞收藏吧#素描石膏几何体 #素描石膏几何体 #美术生

高清图片下载 免费 安全无风险
赶紧关注点赞收藏吧#素描石膏几何体  #素描石膏几何体  #美术生

赶紧关注点赞收藏吧#素描石膏几何体 #素描石膏几何体 #美术生

点击图片查看原图

图片信息

  • 格式: JPG
  • 尺寸: 1080x810
  • 大小: 约1.2MB

版权声明

相关标签

自然风光 高清壁纸 4K画质

分享图片

相关推荐

基于当前图片的相似推荐

少儿素描基础教程-球体画法解析_素描入门_零二七艺考

【素描入门】石膏几何体球体素描绘画步骤

素描几何体素描石膏球体的画法资料图片步骤解析

石膏 复合几何体 球体图片

素描圆球体的表现要点 石膏几何体圆球体素描初学入门怎么画

包邮球体直径17cm几何体石膏模型高强度纯白石膏粉制作型体标准

素描入门课程(8),美术老师教你画石膏几何体球,视频加图文

教学用到的几何体都是白色石膏材料,在质地上比较单纯,也不用考虑

球体正方体组合石膏几何体2

素描入门课程(8),美术老师教你画石膏几何体球,视频加图文

素描入门之石膏球体,绘画步骤归纳总结

随机推荐

发现更多精彩图片

91讲 《映山红》动态曲谱 大家用音乐佳降b调葫芦丝跟着练习倚音吧

电影《真的爱你》插曲:《分手总要在雨天》- 张学友

黑化之后,最恐怖的三大星座,实力强悍,根本没有人可以战胜_狮子座

女生超拽头像2020霸气侧脸头像 当吃货瘦了说明她不快乐了

武林外史演员表-朱七七扮演者张琰琰-电视指南

地雷英雄传资料页_娱乐资料库_新浪娱乐_新浪网

百变马丁(原《马丁的早晨》)第一季第44集-探宝人马丁

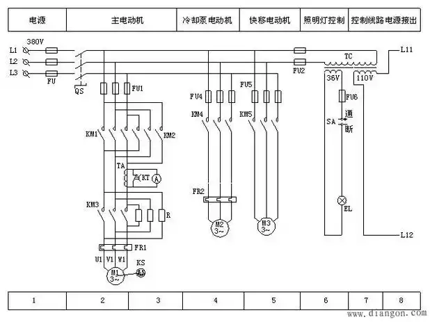
c650型卧式车床电气控制线路

凹凸世界自截头像—雷狮篇