为精密模拟电路设计超低噪声正负电源

高清图片下载 免费 安全无风险
为精密模拟电路设计超低噪声正负电源

为精密模拟电路设计超低噪声正负电源

点击图片查看原图

图片信息

  • 格式: JPG
  • 尺寸: 2110x1110
  • 大小: 约1.2MB

版权声明

相关标签

自然风光 高清壁纸 4K画质

分享图片

相关推荐

基于当前图片的相似推荐

电工实操考核中,最重要的7张电路图(行家收藏)

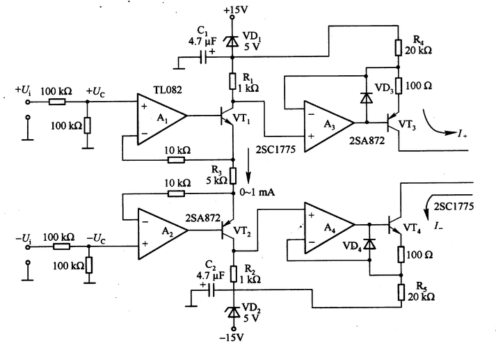
1·51 平衡恒流输出电路

请教专家开炼机,炼胶机三相四线怎么连接

tb-2005_v1.00标准版原理图

无忧文档 所有分类 工程科技 电子/电路 高清atx电脑开关电源图纸(tl

万用表电路图dt930f电路图

xlt604在交流输入中的典型应用电路

我国三相电标准为380v交流电压,接触器主要用于控制水泵,电动机等负载

标准电池缓冲放大电路图

文档下载 所有分类 工程科技 电子/电路 > 经典大功率开关电源图纸fr

随机推荐

发现更多精彩图片

王鹤棣 - 堆糖,美图壁纸兴趣社区

善的繁体字 善的异体字 善同音同调字查询

手绘卡通保证完成任务表情素材

藤本月季盆栽白色龙沙宝石阳台室内栅栏爬藤蔷薇时令草本花卉

周日漂亮早安图片素材带字 星期天问候朋友的说说句子

uc3842如何控制占空比

【启功行书!杜甫律诗 四尺对开大作品】纸老发黄!包手写!

三国演义人物关系图

食品章鱼小丸子海报

z3050摇臂钻床电气控制电路.doc 6页

台钻改装配件传动主轴台钻轴花键套轴承皮带轮台钻改装改装总成三