20132014款五菱宏光cn100原厂维修手册及电路图下载

高清图片下载 免费 安全无风险
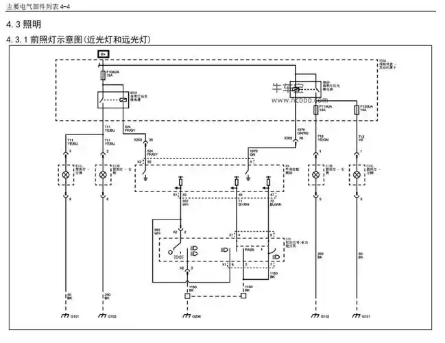
20132014款五菱宏光cn100原厂维修手册及电路图下载

20132014款五菱宏光cn100原厂维修手册及电路图下载

点击图片查看原图

图片信息

  • 格式: JPG
  • 尺寸: 1892x1322
  • 大小: 约1.2MB

版权声明

相关标签

自然风光 高清壁纸 4K画质

分享图片

相关推荐

基于当前图片的相似推荐

2010上汽通用五菱宏光电路图

汽车用调幅收音机电路图

向大家分享一下五菱之光高清电路图

【图】求宏光s舒适版cd机接线方法?_五菱宏光论坛_汽车之家论坛

收音机的安装,调试与维修识读电路图,安装图

20152017款五菱宏光scn112原厂电路图手册下载

五菱之光汽车整车电气系统电路图

zx2028收音机/对讲机电路原理图

模拟电路 | 自制fm收音机,一看就会 - 基础电路

红灯735 收音机电路图

随机推荐

发现更多精彩图片

隋唐洛阳城应天门遗址90明堂天堂.

厂家直供怀旧搪瓷痰盂 老式婚庆高脚痰盂 家用老人座坐便器批发

演艺经历袁伶嫣写真2004年出演刘雅娜执导,杨丽晓,牛骏峰主演的电视剧

it is most famous for its title story, "the happy prince".

大一形式基础半立体构成蛇腹折板基

儿童快乐乐园背景图片免费下载_儿童快乐乐园背景素材-千图网背景图片

二手古董名表,原装正品瑞士新款奢华表君皇_手表/腕表_第2张_7788钟表

一战中法国与德国的特殊之战计划vs计划

交通银行女式衬衫交行行服交行工作服长短袖衬衣工作服2023新款

长春市未来七天预报预计今天午后到明天白天,全省大部分地区有3级左右

假面骑士the一号头盔 eva板自制 展示